


To build or not to build - in Manning
September 8, 2020 Special IKM-Manning School Bond Issue
That is the question...
The upcoming IKM-Manning school district bond issue, along with debates, disagreements, arguments, and even fiercely fought sides are nothing new.
I will concentrate on the history of schools in Manning and let the other communities in the IKM-Manning district make their cases and tell their history if they wish...
Before the town of Manning existed there was a country school located where the old grocery store once stood along West Street & 141.
Information from 1876 from the Warren Township record book (Warren No. 4 country school) states that in 1881, when the city of Manning was organizing, a city school would be established.
At first only students of high school age would attend the town school, and eighth grade and under would continue at the Warren No. 4 country school.
On November 11, 1881, classes for the Manning students were held at the home of Paul Winter...with Benjamin Salinger, hired at $37.00 per month, as teacher.

Since Warren No. 4 was in the city limits it was eventually closed in 1883.
Now realize that what we call Ewoldt Township today, was at that time called Warren Township.
A very unique situation occurred back then in
that the city limits of Manning would remain as Warren Township, and the rest of the area outside of Manning would be Ewoldt Township…so Manning
is in a township that is within another township.
On April 7, 1882, a city school board formed and they rented the Callison Hall on Main Street, to house all grades. Anyone in the at-large Warren Township area would be allowed to attend the city high school classes if they wished...NOTE: that the Callison Hall, a wooden structure back then, is now the location of Soll's Service brick building.
On July 17, 1882, a vote was held to have the town of Manning become an independent school district.
On November 25, 1882, the school board voted to purchase land for $240.00 in north Manning to construct a new wooden two-story school building.


On March 18, 1907, a special election was held and bond issue passed to construct a new three-story brick building on the same location as the existing wooden building.
Classes for school students would be temporarily held in the Nick Schilling building on Main Street.

The Manning community continues to grow and more space was needed for classes, so the Sacred Heart Church agreed to let the school use
classrooms in the Catholic church.
The reason why I know this is when I scanned Alice (Lohmeier) Grau's school scrapbook, she wrote about her
sixth grade classes being held in the Catholic Church...she graduated in 1924.

Even back in 1917, the community at large was struggling with how to combine the town and rural schools of the area and head into the future...
January 18, 1917 Manning Monitor
CONSOLIDATION FAILS
Manning for the present will not have Consolidated Schools. The country
vote gave the proposition a black eye, there being 19 votes for and 81 against.
In the town there were 114 votes for and 82 votes against.
Those arguing for the consolidation used the argument that not only the town
but the country would have better schools and while it would cost more, they
could point to a large number of consolidated schools in Iowa where the new
conditions were so much better than the old that none would think of going back to the old conditions.
Those arguing against the proposition argued mostly from the question of taxes.
Some country voters put up the argument that the country students should go to
their own consolidated school to be built in the country. But the chances are
even such a proposition would fail.
One thing is certain, the question of an education has been brought forcefully before all the citizens of this vicinity. It is one of
the greatest questions before the public today, and one that should interest
every man and woman who has the welfare of our country at heart. Consolidation
of schools will come some day. It is but a step towards getting greater
efficiency. Too much money is now spent for the value received. As this
community grows richer more country boys and girls will come to the public
schools in Manning, and something will take the place of the country school
where less than a half dozen children gather to get the benefits of an education.
Better schools are needed in the country districts. As long as teachers teach
who have provisional or third grade certificates, schools will be poor there.
Some day school teaching may become a profession as it is in European countries, and then there will be better schools.
By 1917, the school became even more crowded, so on January 15, 1917, the school board issued bonds for $25,000 and not to exceed
$35,000 to erect a new addition to the existing school, but it was decided to build a separate High School at the current location of today's Manning Rec Center...this school also included
a small gymnasium and stage. Herb Hass and Thomas Reinhart of Manning were the general contractors.

As it was becoming quite evident that Manning had a lot of excellent athletes, it was decided to build a new gymnasium and stage on the east side of the existing high school.
On August 13, 1936, a $20,000 bond was issued. A year earlier an application was awarded by the Public Works Administration (P.W.A.) to pay 45% of the cost.
A vote was held 390 for and 170 against. On November 5, 1936, the Holtz Construction Company out of Sioux City was awarded the bid for $32,000.00.
On October 18, 1937, the gym and auditorium were dedicated.


Colorized photo by Thomas MacDonald-Williams for the 2009 Manning Schools History book project.

Dedication of new gymnasium and auditorium
Now the town continues to grow and after WWII, the "Baby Boom" generation began...
Then a major event developed. With shrinking numbers of rural families and the sizes of those families, country schools were now closing
with the realization that all of the country schools will have to be closed sooner than later…there were 137 country schools in Carroll County in
1905 and by 1955, there were only 9.
In 1954, the battle between the various school districts in the Manning area began. Manning
was in a unique setting, in that it borders four different counties.
In 1955, the Ar-We-VA and Manning School districts were battling over boundaries. Boundaries initially set were eventually reversed
by Ar-We-Va, which returned several sections back to Manning.
Aspinwall, had an Independent School for Kindergarten through eighth grade,
but sent its high school students to Manning.
During the country school reorganization period, Aspinwall was switched to the Manilla
School district. Heated debates between the citizens of Aspinwall caused people to take sides…some wanted to continue with Manning and others wanted to go to Manilla.
As told to me by my 97 year old mother who was born/raised in Aspinwall, many families and neighbors stopped talking to each other because of the fierce debates over Manning or Manilla.
The rural areas between Manning and Manilla also became disputed.
One family, had a situation where the oldest child who had been
going to Manning High School was allowed to finish at Manning, but the 2 younger siblings attended Manilla schools.
Then a battle ensued in Lincoln Township, Audubon County, where 15 families who were in the newly formed boundaries of Audubon School District, appealed the decision and on September 26, 1957, the Iowa State Department of Education ruled for the 15 families, so they could go to the Manning School District.
Even with the 2 school buildings in Manning, there was not enough space for all of the baby boomers.


As crowding got worse, a new bond issue was voted on to build a new elementary and grade school building which would replace the old 1907 school building.
In 1963, the Ewoldt No. 5 country school was temporarily re-opened east of Manning for grade school classes until the new grade school construction was finished...there wasn't enough
room in the old grade school in North Manning at that time.
In August 1961, the bond passed by 79% in favor (1297), and on August 30, 1962, a ground breaking ceremony was held.

August 30, 1962 Ground breaking
Even though this new school building would provide a lot more space for classrooms, there would still be a problem with gymnasium space.


View from kitchen of the cafeteria

Well we are still in the Baby Boom generation, but attendance did stabilize.
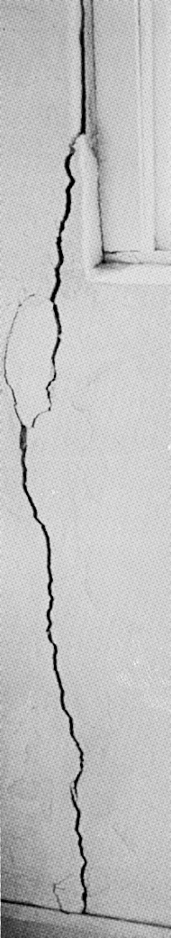
Then in 1970 the INFAMOUS crack opened up on the west wall of the high school.
The rooms on all floors of the west end had to be abandoned.

Now what to do…So a group of active citizens and school board members started a campaign to build a new high school, but connected to the grade school.
On December 30, 1970, 71% of the 1316 who voted, approved of the $985,000.00 bond issue.



Now why go through the history of Manning Schools?
No one wants more taxes.
But ponder this thought:
What if the Manning community had NOT voted for the 1970 bond issue and just continued with the old high school and did some repairs on that west wall?
That 1918 high school would now be 102 years old with 50 more years of deterioration and aging...
The class of 1973 was the largest class MHS had with the next 10 years of similar size classes so crowded class rooms would have been a problem for a while.
Continued use of that old high school is assuming that the structure of the building would have remained stable and not eventually fail.
One thing that was discovered by John Ohde and myself is when that area was excavated for the swimming pool construction in 1988, there were significant
amounts of glacial outwash in the subsoil, which is like a fine silica sand and does not make a good soil structure to support heavy brick buildings. This is why soil had
to be dug out and removed so the footings for the pool would be on solid ground.
The other discovery we made was that the footings were only 3 feet deep for the two-story high school.


So based on this information, it is highly doubtful the building would have had many more years of safe usage as it got into the 1980s.
Now would the Manning community have passed a school bond issue which would have been well into the millions of dollars by the 1980s or early 1990s?
Also by this time the dwindling enrollment would have really scared a lot of the voters of Manning, so based on this information my guess is we would have closed our school and started busing our kids to Carroll at least 30 years ago if the new high school had not been built.
From my memories and opinion, if it weren't for Robert Dappen, a school board member at the time, this bond issue probably would not have been proposed or passed.
Robert was the energy and driving force with a vision for the future of the school district so he worked with other members of the community and school to go out and sell
this to the public.
Manilla, Irwin, and Kirkman would have still merged into IKM, but as we know 2009 is when IKM merged with Manning.
If like I theorized that
Manning would have started busing to Carroll in the 1980s or early 1990s, what would the IKM school district have done in 2009?
2009 would be
about 20 years later than when Manning would have already been busing to Carroll.
Now you would be talking in the range of 5 to
10 million dollars that the IKM school district would have had to spend if they would have tried to build a new building so they could to have everything in one location.
I highly doubt the IKM school district would have voted for that.
So in 2009, more than likely, Manilla kids would have been bused to Denison, and Irwin/Kirkman kids to Harlan.
So maybe we should look at the current circumstances differently today, that since Manning voted 50 years ago to build the new high school, it gave some breathing room for the IKM-Manning school district to adjust from 2009 through 2020.
2021 would be a good time to build on to the existing school at Manning to prevent future busing to Carroll, Denison, and Harlan for the respective towns of Manning, Manilla, Irwin, and Kirkman.
I realize I have posed a lot of speculation and guessing with scenarios in the past, but the future is pretty certain - if we do nothing now or try to continue to hodge-podge our school district for several more years we will surely end up busing our kids much farther from each respective town in our district in the near future.
Here are several more images that show the transitions and proposals the Manning community saw...



Architectural proposal for the existing school along 141.
The existing old high school and gym can be seen in the background.

September 21, 1950 ad in the Manning Monitor
Tearing down is all part of building up a community. Sometimes the old has to be razed to make progress for the future.
One reason why I'm able to show so much history and provide you with the corresponding information is my family and I have always been active in the community.
My dad loved to "recycle" old buildings, so in 1964 we spent a lot of time removing the flooring and other lumber from the old grade school.
Other people also removed
lumber and fixtures. Back then, everyone tried to save things and not just burn/bury everything.



Sign in front of old high school


razing of old high school in 1975

1917-18 construction

April 17, 1964 daily flag raising.

View from Main Street

August 26, 1988

1960 view at old grade school

The Annex or study hall on the second floor of the old high school.

View of old grade school from Second Street.